您好!欢迎您访问永盈彩票的网站!
凯米克首页
|
收藏本站
|
网站地图
首页
关于永盈彩票
公司优势
解决方案
产品展示
化工设备
制药设备
企业新闻
车间一角
视频中心
合作客户
合作客户
合作案例
资质荣誉
联系我们
当前页面 > 关于永盈彩票 > 产品展示
产品列表
中试装置
精馏系统、薄膜蒸发、分子蒸馏等中试装置
污水的臭氧和芬顿氧化中试装置
薄膜蒸发和分子蒸馏的提纯中试装置
萃取、汽提和精馏中试系统
蒸馏分离装置
60L精馏装置
蒸发装置
三效蒸发系统
次氯酸钠蒸发浓缩装置
硫酸钠蒸发浓缩装置
氯化镁蒸发浓缩装置
氯化钠蒸发浓缩装置(MVR)
三效加热器
一效分离器
刮板蒸发器
薄膜蒸发器
刮板蒸发器
化工成套装置
生物基表面活性剂生产装置
交联剂(TAIC)生产装置
废矿物油分子蒸馏装置
宠物饲料添加剂项目
废矿物油再生装置
内蒙5万吨废矿物油综合利用项目
云南5万吨废矿物油综合利用项目
四川3万吨废矿物油综合利用项目
废矿物油再生装置
单体设备
氨储罐
卧式储罐
塔釜
离心机废酒缓冲罐
减压塔再沸器
氢气储罐
高压除尘器
碳罐
塔器
树脂活化罐
换热器
分气缸
反应釜
储罐类
耙矸机
60M³MDI储罐
25³硫酸罐
6KL无溶剂料反应釜
3KL PU反应釜
储罐
化工设备
离心刮板薄膜蒸发器
真空耙式干燥机
废机油还原再生基础油装置
降膜蒸发器
双效/多效降膜蒸发器
单效降膜蒸发器
盘管式蒸发器
强制循环蒸发器
机械压缩蒸发器
废热回收浓缩蒸发设备
溶剂溶媒回收设备
外盘管反应釜
夹套反应釜
多功能分散反应釜
KMC实验室反应釜
换热器
塔器
电站辅机图片
其他设备
制药设备
多功能提取罐
多功能提取罐-出渣门
SLG型渗漉罐
热回流抽提浓缩器
新型多功能浓缩设备
SJN-III系列三效节能浓缩器
QN-250~1500型球形浓缩罐
ZN-300~2000真空减压浓缩器
酒精回收塔(乙醇精馏装备)
酒精沉淀罐
保温冷却发酵罐
KMCJ洁净反应釜
KMCP浓/稀配液罐
KMCC磁力搅拌罐
KMCJJ结晶罐
储罐
CIP清洗系统
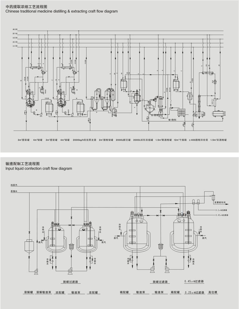
工艺流程图
工艺流程图
上一页:CIP清洗系统
Copyright ©2016 永盈彩票 All Rights Reserved.
地址:无锡市滨湖区太湖科教产业园8-1号楼 手机:邵先生 +86 133 3810 4117
传真:+86 510 8558 2075 802 邮箱:jimwuxi@163.com 网址:www.wx-kmc.com
《中华人民共和国电信与信息服务业务经营许可证》编号
苏ICP备17001883号-1